• 感應伺服馬達: JS-20

    HIGH SPEED MOTOR 高速主軸馬達

    適用範圍:

     • 工具機、金屬加工機橡、塑膠機械

    主軸特性:

     • 馬達結構紮實,使用壽命長

     • 採用高性能方形波編碼器

     • 精密工具機主軸專用AC感應伺服馬達

     • 無碳刷構造,免除維修之困擾

     • 最高轉速有10000及12000RPM系列供選擇

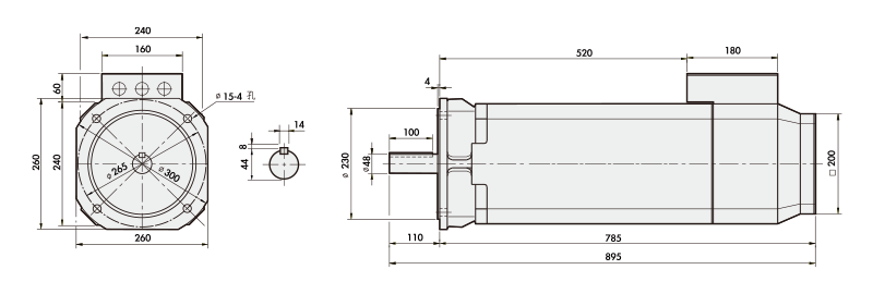
  • 高速主軸馬達: 外觀尺寸

    JH55 高速主軸馬達 HIGH SPEED MOTOR
  • 高速主軸馬達: 特性曲線_15KW

    JH55 高速主軸馬達 HIGH SPEED MOTOR